PROYECTOS DE INSTALACIONES Y LEGALIZACIÓN PARA RESTAURANTE SITUADO EN CALLE JOANOT MARTORELL 1, 03660 NOVELDA (ALICANTE)

Fecha Proyecto

Junio 2025

Fecha Obra

Agosto 2025

Promotor

Marco Miracca

Ubicación

calle Joanot Martorell 1, 03660 Novelda (Aliante)

Categoría
2025, Aperturas y Actividad, Instalaciones Terciario
Sobre este proyecto

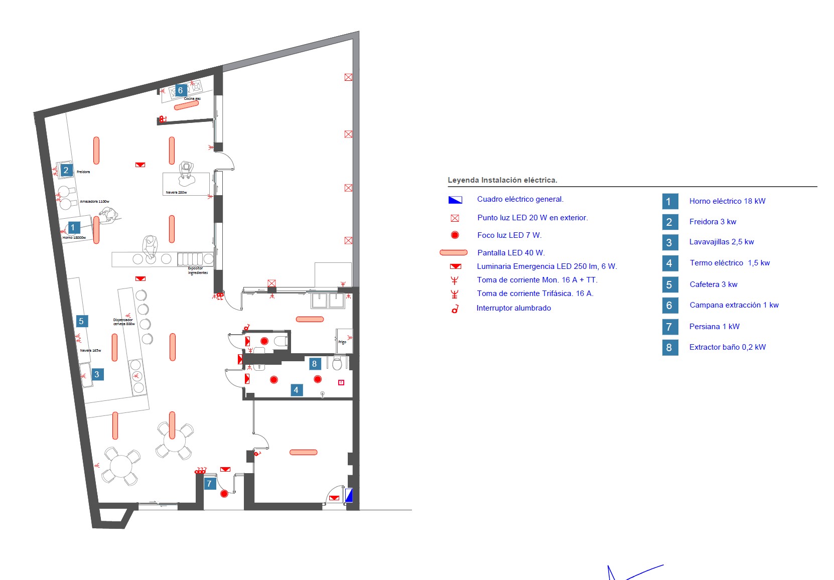
Nos encargan el diseño de la instalación eléctrica y la protección contra incendios del restaurante de nueva apertura situado en calle Joanot Martorell 1 en Elda.

Proyectos Realizados:
  • PROYECTO DE INSTALACIÓN ELÉCTRICA EN BAJA TENSIÓN PARA SERVICIO TERRITORIAL DE INDUSTRIA.
  • PROYECTO DE DECLARACIÓN RESPONSABLE AMBIENTAL PARA AYUNTAMIENTO DE NOVELDA.
Resumen de privacidad
Pedro Asensio - Ingeniería

Esta web utiliza cookies para que podamos ofrecerte la mejor experiencia de usuario posible. La información de las cookies se almacena en tu navegador y realiza funciones tales como reconocerte cuando vuelves a nuestra web o ayudar a nuestro equipo a comprender qué secciones de la web encuentras más interesantes y útiles.

Cookies de terceros

Esta web utiliza Google Analytics para recopilar información anónima tal como el número de visitantes del sitio, o las páginas más populares.

Dejar esta cookie activa nos permite mejorar nuestra web.